MÔ TẢ SẢN PHẨM
Tính năng:

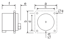
Bản vẽ kỹ thuật


135,000₫ – 840,000₫
• Dòng tải: 16-63A
• Tiêu chuẩn: IEC309-1/-2. GB11918/11919
• Được làm bằng vật liệu polyamid 6 chịu nhiệt và độ cách điện cao



| Mã SP | J613-6, J623-6, J614-6, J624-6, J634-6, J615-6, J625-6, J635-6 |
|---|